

freepm.ru
13.06.2015, 18:25:30
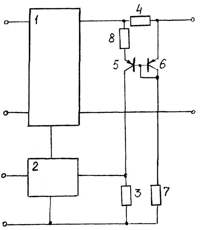
регулируемый преобразователь напряжения - патент на полезную модель 68203 - Коняхин Сергей Федорович ,Машуков Евгений Владимирович ,Свиридов Петр Алексеевич ,Селиверстов Илья Петрович ,Шевцов Даниил Андреевич
регулируемый преобразователь напряжения - патент на полезную модель 68203 - Коняхин Сергей Федорович ,Машуков Евгений Владимирович ,Свиридов Петр Алексеевич ,Селиверстов Илья Петрович ,Шевцов Даниил Андреевич