

radiokot.ru
04.09.2015, 17:20:41
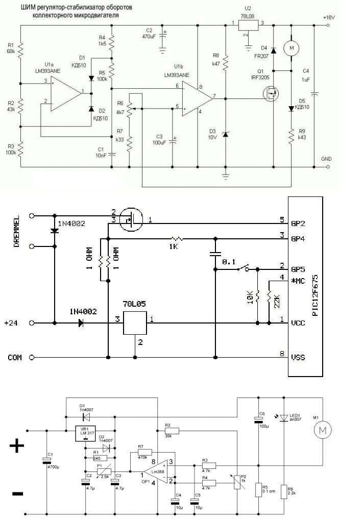
РадиоКот :: Ковырялочка для п/плат. На просторах интернета полно разных схем, простых и не очень простых для управления моторами сверлилок для п/плат. Рассмотрим некоторые наиболее распространённые из них:
РадиоКот :: Ковырялочка для п/плат.
На просторах интернета полно разных схем, простых и не очень простых для управления моторами сверлилок для п/плат. Рассмотрим некоторые наиболее распространённые из них: