Постила
  • Авто и мото
  • Гороскопы и эзотерика
  • Дом и уют
  • Здоровье
  • Литература
  • Новости
  • Психология
  • Ремонт
  • Саморазвитие
  • Фотография и искусство
  • Какой сегодня праздник?
  • Внешность
  • Дети
  • Еда и напитки
  • Знаменитости
  • Маникюр
  • Покупки
  • Путешествия
  • Рукоделие
  • Свадьба
  • Цветы
  • Кусочек Постилы
  • Вязание
  • Диеты и похудение
  • Животные
  • Компьютеры и телефоны
  • Музыка
  • Открытки новое
  • Причёски
  • Разное
  • Сад и огород
  • Спорт и фитнес
  • Блог Постилы
  • Вход / Регистрация
    • Кнопка Пост!
    • Правила
Главная   /   Разное   /   гитара
  • 1
    • Встроить
    • Пожаловаться
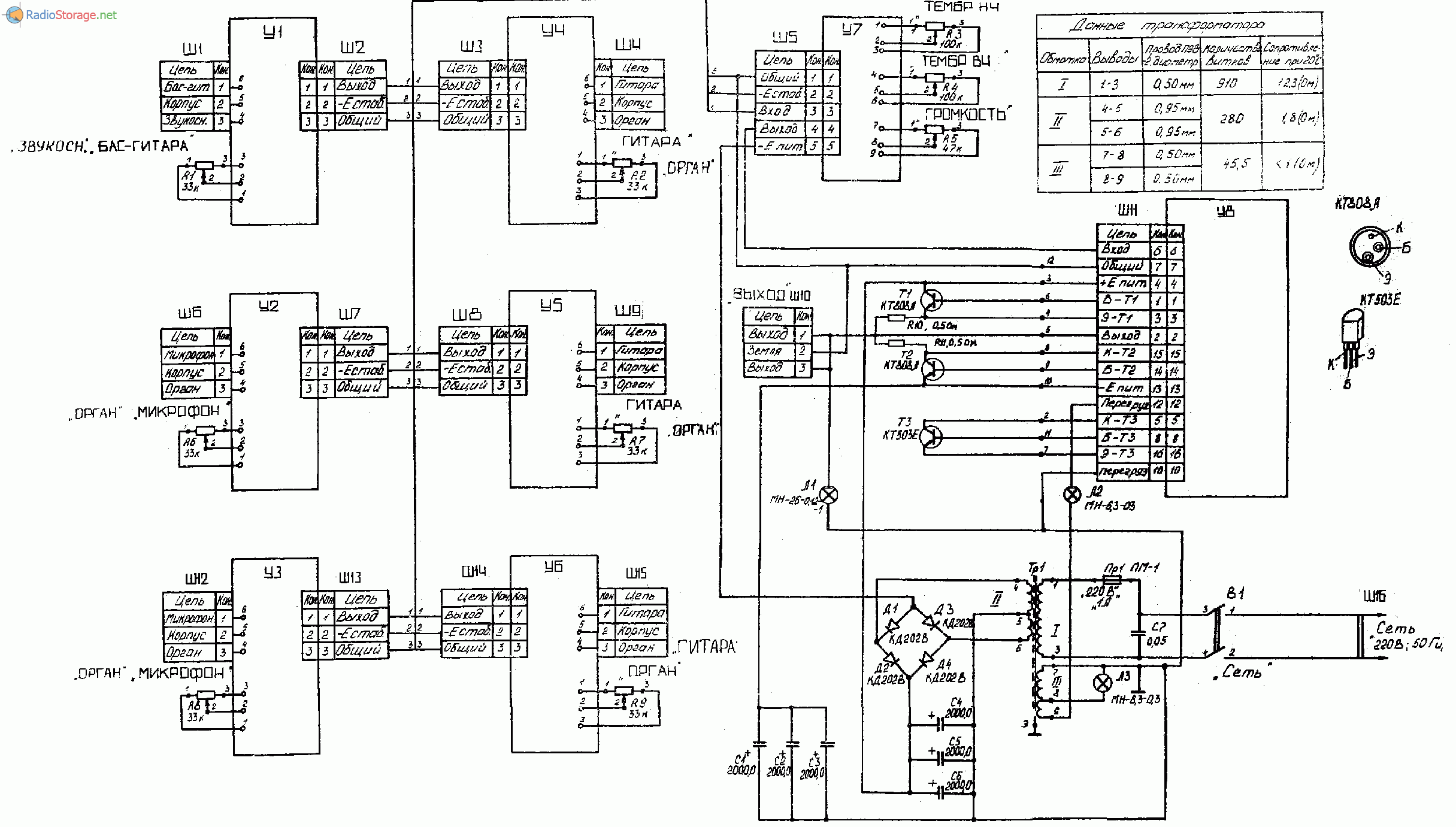
Усилитель УЭМИ-50 - схема, внешний вид, фото
zoom_in
radiostorage.net
11.02.2016, 16:48:21

Усилитель УЭМИ-50 - схема, внешний вид, фото

фото с гитарой
Усилитель УЭМИ-50 - схема, внешний вид, фото
Постила
Что такое Постила О нас Блог Постила ВКонтакте Кнопка «Пост!»
Новые посты Новые доски Открытки Рецепты Aрхив
Категории Темы Теги Лучшее на Постиле Какой сегодня праздник?
Помощь Правила Пользовательское соглашение Наши партнеры: Пикабу Промокоды Пикабу Рекламодателям