Постила
  • Авто и мото
  • Гороскопы и эзотерика
  • Дом и уют
  • Здоровье
  • Литература
  • Новости
  • Психология
  • Ремонт
  • Саморазвитие
  • Фотография и искусство
  • Какой сегодня праздник?
  • Внешность
  • Дети
  • Еда и напитки
  • Знаменитости
  • Маникюр
  • Покупки
  • Путешествия
  • Рукоделие
  • Свадьба
  • Цветы
  • Кусочек Постилы
  • Вязание
  • Диеты и похудение
  • Животные
  • Компьютеры и телефоны
  • Музыка
  • Открытки новое
  • Причёски
  • Разное
  • Сад и огород
  • Спорт и фитнес
  • Блог Постилы
  • Вход / Регистрация
    • Кнопка Пост!
    • Правила
Главная   /   Наука и техника   /   radio mix
  • 1
    • Встроить
    • Пожаловаться
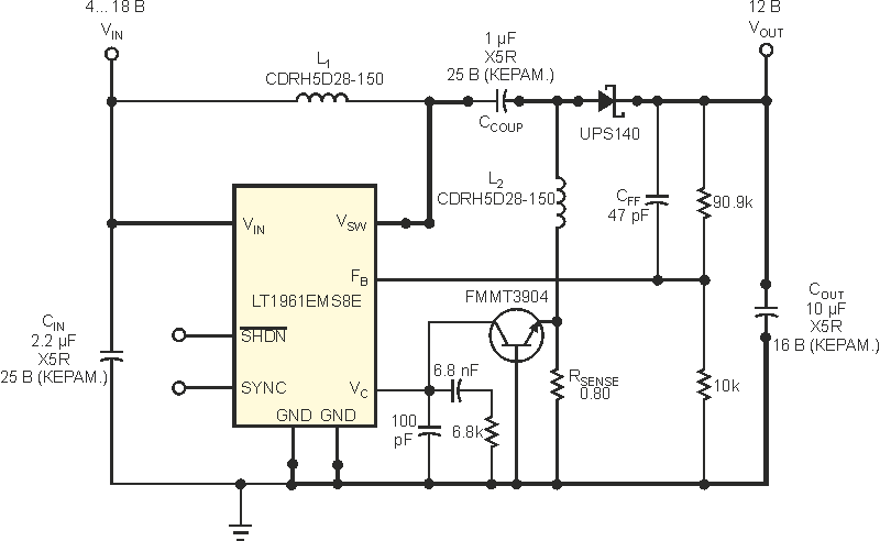
Один транзистор защищает преобразователь от коротких замыканий. Предлагаемая схема на одном транзисторе, опуская уровень напряжения на выводе VC (выход усилителя ошибки) при резком увеличении тока дросселя, происходящем при перегрузке или коротком замыкании выхода, обеспечивает надежную защиту SEPIC от коротких замыканий
zoom_in
rlocman.ru
22.12.2016, 19:01:02

Один транзистор защищает преобразователь от коротких замыканий. Предлагаемая схема на одном транзисторе, опуская уровень напряжения на выводе VC (выход усилителя ошибки) при резком увеличении тока дросселя, происходящем при перегрузке или коротком замыкании выхода, обеспечивает надежную защиту SEPIC от коротких замыканий

дроссель
Один транзистор защищает преобразователь от коротких замыканий. Предлагаемая схема на одном транзисторе, опуская уровень напряжения на выводе VC (выход усилителя ошибки) при резком увеличении тока дросселя, происходящем при перегрузке или коротком замыкании выхода, обеспечивает надежную защиту SEPIC от коротких замыканий
Постила
Что такое Постила О нас Блог Постила ВКонтакте Кнопка «Пост!»
Новые посты Новые доски Открытки Рецепты Aрхив
Категории Темы Теги Лучшее на Постиле Какой сегодня праздник?
Помощь Правила Пользовательское соглашение Наши партнеры: Пикабу Промокоды Пикабу Рекламодателям