ekg-uralsnab.ru
20.01.2017, 17:35:59
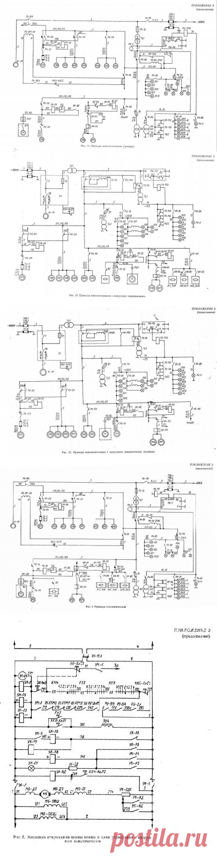
Приложение 2. Схемы электрические принципиальные | Горное оборудование производство и продажа запчастей на экскаватор экг 5а, крановые запчасти, металлообработка, термообработка, изготовление деталей по чертежам и образцам
Приложение 2. Схемы электрические принципиальные | Горное оборудование производство и продажа запчастей на экскаватор экг 5а, крановые запчасти, металлообработка, термообработка, изготовление деталей по чертежам и образцам