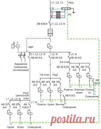
Как сделать монтаж электропроводки в деревянном частном доме своими руками? Пошаговая инструкция как развести, схема +Видео