

rlocman.ru
11.11.2019, 6:15:56
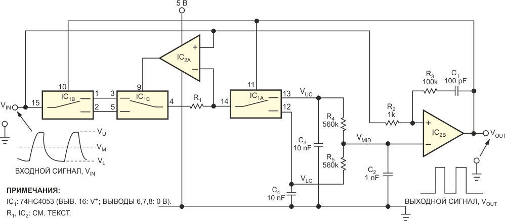
Недорогая схема отслеживания огибающей компенсирует большие изменения сигнала. Не требующая диодов схема с одним источником питания, изображенная на Рисунке 1, восстанавливает ограниченный по полосе поток данных NRZ, коэффициент заполнения которого может меняться от значения менее 5% до более чем 95%, и амплитуда которого может меняться от уровня ниже 100 мВ до напряжения шины питания, например, до 5 В. Более того, схема нечувствительна к среднему уровню сигнала, изменяюще...
Недорогая схема отслеживания огибающей компенсирует большие изменения сигнала. Не требующая диодов схема с одним источником питания, изображенная на Рисунке 1, восстанавливает ограниченный по полосе поток данных NRZ, коэффициент заполнения которого может меняться от значения менее 5% до более чем 95%, и амплитуда которого может меняться от уровня ниже 100 мВ до напряжения шины питания, например, до 5 В. Более того, схема нечувствительна к среднему уровню сигнала, изменяюще...