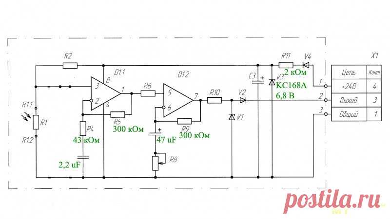
Датчик пламени ФЭП-Р для газового котла. Доработка схемы. Версия 5.1