

rlocman.ru
3 недели 1 день назад
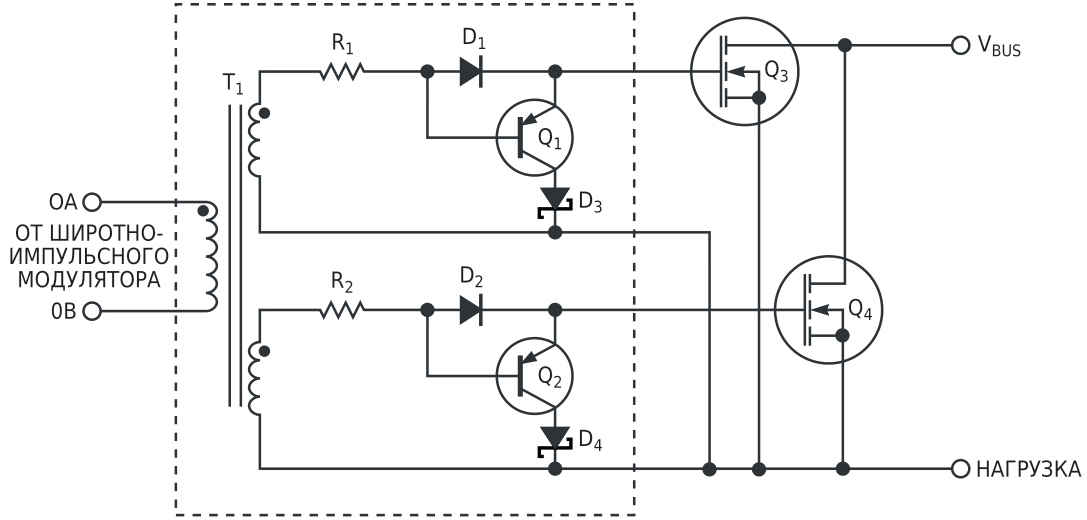
Драйвер верхнего плеча питает IGBT и MOSFET. Диоды Шоттки D3 и D4 предотвращают протекание тока через переходы коллектор-база транзисторов Q1 и Q2 при отрицательном сигнале управления. С помощью этой схемы можно получить времена переключения меньше 50 нс при включении и меньше 100 нс при выключении, в зависимости от выходного сопротивления источника управляющего сигнала, подаваемого на трансформатор.
Взгляд Постилы
В мире фантазий и механизмов, где электроника живет и дышит в своем ритме, схема на бумаге рождается подобно архитектурному замыслу величественного собора в стиле хай-тек. Здесь потоки энергии текут, словно реки света среди ночного мегаполиса. Каждый элемент, будь то резисторы или транзисторы, становится обитателем этого города, исполняющим свою роль в оркестре электричества и магии. Между линиями и точками застыли не только символы, но и ритм жизни, непрерывное пульсирование современного времени. А шепот широтно-импульсного модулятора звучит, как голос древнего рассказчика, поведающего истории о давних временах, когда свет и электричество только начинали раскрывать свои тайны. Глядя на эту симфонию линий и диодов, трудно не ощутить огромность технического моря и спрятанных в нем тайн, которые манят исследователей и творцов. Основная линия уверенно пересекает чудеса и лабиринты проводов, неся свет в неведомые дали, где железо становится храмом, а медь — его нервной системой. Схема как тихая музыка проводит зрителя через свои загадочные стихии.
Драйвер верхнего плеча питает IGBT и MOSFET. Диоды Шоттки D3 и D4 предотвращают протекание тока через переходы коллектор-база транзисторов Q1 и Q2 при отрицательном сигнале управления. С помощью этой схемы можно получить времена переключения меньше 50 нс при включении и меньше 100 нс при выключении, в зависимости от выходного сопротивления источника управляющего сигнала, подаваемого на трансформатор.