Индикатор
sso.passport.yandex.ru
Индикаторы кармы? Чувствуют ли кошки «плохих» и «хороших» людей | Питомцы Mail.ru | Дзен
micpic.ru
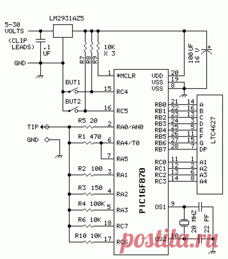
Суперпробник на PIC. Суперпробник может измерять напряжение, частоту, емкость, индуктивность, генерировать различные сигналы и многое другое, и все это на одной микросхеме - PIC16F870, и четырехрязрядном 7-сегментном индикаторе. Вместо индикатора LTC4627 может быть использован любой другой с общими анодами.













































